التعريف: الصمام الكروي الثابت القياسي الأمريكي هو صمام عالي الأداء مصمم وفقًا لمعايير API الأمريكية وASME وغيرها من المعايير. الميزة الأساسية هي أن الكرة ثابتة ومدعومة بمحامل علوية وسفلية، ولن تتحرك تحت الضغط المتوسط. يتم تحميل مقعد الصمام مسبقًا بواسطة زنبرك لتحقيق الختم ثنائي الاتجاه.
الميزات الأساسية:
الهيكل الثابت: يتم تثبيت الكرة بواسطة محامل علوية وسفلية لتقليل عزم دوران التشغيل، ومناسب لخطوط الأنابيب ذات الضغط العالي ذات القطر الكبير (مثل الفئة 150~1500)؛
الختم ثنائي الاتجاه: يمكن أن تحافظ حلقة الختم PTFE وتصميم وصلة الزنبرك على أداء الختم حتى بعد تآكل، ومناسب للوسائط المسببة للتآكل (مثل الغاز الطبيعي الذي يحتوي على كبريتيد الهيدروجين)؛
التكرار الآمن: يمكن للهيكل المقاوم للحريق (متوافق مع API 607/6FA) أن يشكل ختمًا من المعدن إلى المعدن في حالة نشوب حريق وله وظيفة تخفيف الضغط تلقائيًا.
التطبيقات النموذجية: خطوط أنابيب النفط والغاز لمسافات طويلة، ومرافق التكرير، والأنظمة الكيميائية عالية الضغط.





Part Name | Material | |
GB | ASTM | |
bushining | PTFE والقصدير البرونزية | PTFE والقصدير البرونزية |
screw | 25 | A105 |
spring | 60Si2Mn | إنكونيليكس-750 |
valve body | 25 | A105 |
stud | 35CrMoA | A193-B7 |
sphere | WCB+ENP | WCB+ENP |
valve Seat | 25 | A105 |
حلقة الختم | PTFE | PTFE |
ربيع القرص | 60Si2Mn | AISI9260 |
جهاز قيادة دوران مقعد الصمام | assembly | |
stem seal | PTFE | PTFE |
bushining | PTFE والقصدير البرونزية | PTFE والقصدير البرونزية |
Upper Stem | 1Cr13 | A182-F6a |
كم ربط | 45 | AISIC1045 |
آلية القيادة | assembly | |

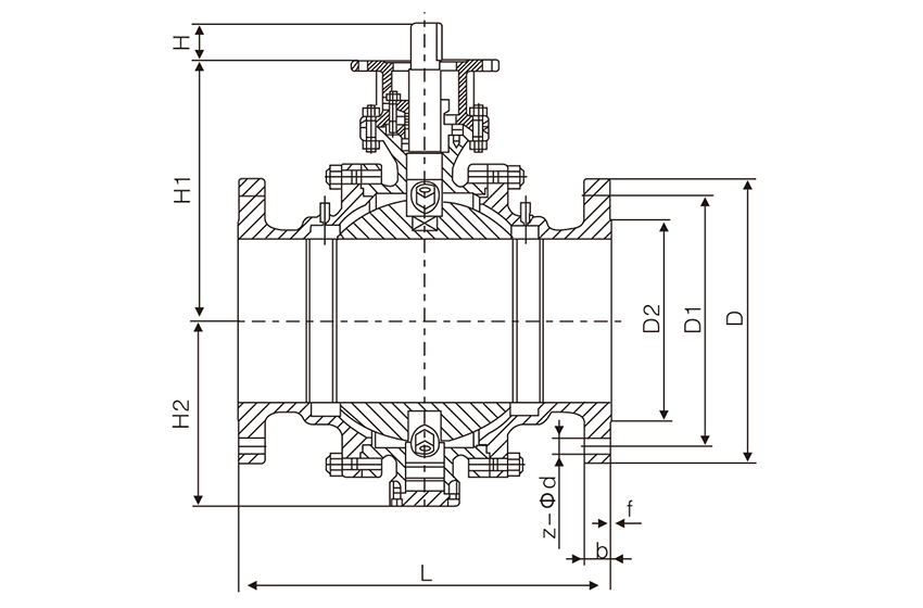
NPS(in) | 150Lb | |||||||||
L | D | D1 | D2 | b | f | Z-Φd | H | H1 | H2 | |
2 | 178 | 150 | 120.7 | 92.1 | 14.3 | 2 | 4-19 | 20 | 96 | 92 |
2 1/2 | 191 | 180 | 139.7 | 104.8 | 15.9 | 2 | 4-19 | 25 | 125 | 105 |
3 | 203 | 190 | 152.4 | 127.0 | 17.5 | 2 | 4-19 | 25 | 150 | 120 |
4 | 229 | 230 | 190.5 | 157.2 | 22.3 | 2 | 8-19 | 30 | 200 | 160 |
5 | 356 | 255 | 215.9 | 185.7 | 22.3 | 2 | 8-22 | 40 | 220 | 200 |
6 | 394 | 280 | 241.3 | 215.9 | 23.9 | 2 | 8-22 | 45 | 245 | 210 |
8 | 457 | 345 | 298.5 | 269.9 | 27.0 | 2 | 8-22 | 50 | 280 | 224 |
10 | 533 | 405 | 362.0 | 232.8 | 28.6 | 2 | 12-26 | 60 | 320 | 278 |
12 | 610 | 485 | 431.8 | 381.0 | 30.2 | 2 | 12-26 | 70 | 337 | 306 |
14 | 686 | 535 | 476.3 | 412.8 | 33.4 | 2 | 12-29 | 75 | 374 | 334 |
16 | 762 | 595 | 539.8 | 469.9 | 35.0 | 2 | 16-29 | 75 | 408 | 358 |
18 | 864 | 635 | 577.9 | 533.4 | 38.1 | 2 | 16-32 | 80 | 439 | 390 |
20 | 914 | 700 | 635.0 | 584.2 | 41.3 | 2 | 20-32 | 90 | 492 | 434 |
24 | 1067 | 815 | 749.3 | 692.2 | 46.1 | 2 | 20-35 | 105 | 588 | 523 |
26 | 1143 | 870 | 806.4 | 749 | 66.7 | 2 | 24-35 | 110 | 627 | 564 |
28 | 1245 | 925 | 863.6 | 800 | 69.9 | 2 | 28-35 | 115 | 644 | 658 |
Note:البيانات المذكورة أعلاه هي للإشارة فقط. لمزيد من التفاصيل، يرجى استشارة قسم المبيعات في الشركة.
يتضمن نقل النفط والغاز وسائط متعددة مثل خطوط الأنابيب والسفن، وهو الرابط الأساسي لسلسلة إمداد الطاقة.

يغطي التحكم في المواد الخام الكيميائية عملية التعدين والتخزين والإنتاج بأكملها، مما يضمن السلامة واستقرار العملية.

تعتبر خطوط أنابيب البخار ذات درجة الحرارة المرتفعة جوهر نقل الطاقة في أنظمة الطاقة، مما يدعم التشغيل الفعال لمحطات الطاقة الحرارية والنووية.

تتحكم الصمامات في السوائل في صناعات متعددة مثل الطاقة الجديدة والإلكترونيات، مما يضمن إنتاجًا آمنًا وفعالاً.


