الوظائف الأساسية
من خلال الاستفادة من ضغط وسط خط الأنابيب نفسه (دون الحاجة إلى مصدر طاقة/طاقة خارجي)، يتم استشعار فرق الضغط من خلال الحجاب الحاجز، ويتم ضبط فتحة قلب الصمام تلقائيًا للحفاظ على فرق ضغط ثابت (مثل فرق الضغط في الفرع النهائي لنظام التسخين).
التقنيات الرئيسية
موازنة الضغط التفاضلي الذاتي: يتم اكتشاف فرق الضغط الفعلي. في منفذ الضغط قبل/بعد الصمام، مقارنةً بالقوة المحددة مسبقًا للزنبرك، ويتم تشغيل قلب الصمام للتعويض عن تقلبات التدفق؛
نطاق تثبيت الجهد الواسع: فرق ضغط التحكم النموذجي هو 0.01-0.6 ميجا باسكال (يمكن تخصيص نطاق أعلى).










Part Name | material |
valve body | حديد زهر رمادي، فولاذ مصبوب |
valve الجذعية | الفولاذ المقاوم للصدأ |
valve disk | صب البرونز |
diaphragm | مطاط النتريل |

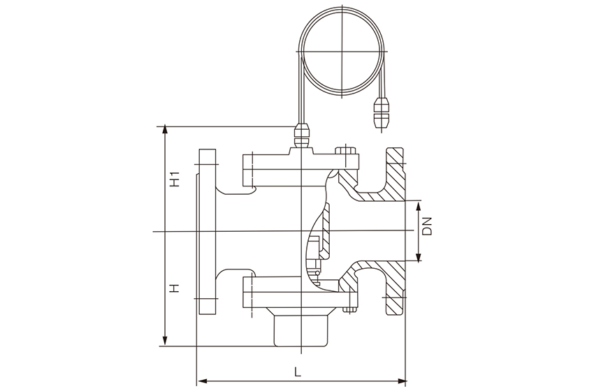
القطر الاسمي | طريقة الاتصال | L | H | H1 | معدل التدفق م³/ساعة | متوسطة قابلة للتطبيق | درجة حرارة متوسطة |
15 | thread | 110 | 72 | 98 | 0.2-1 | water | درجة الحرارة_0~120 درجة مئوية_ درجة الحرارة |
20 | 110 | 72 | 98 | 0.4-2 | |||
25 | 115 | 82 | 102 | 0.5-3 | |||
32 | Flange | 160 | 91 | 94 | 1-4 | ||
40 | 200 | 147 | 112 | 2-7 | |||
50 | 215 | 120 | 112 | 3-10 | |||
65 | 230 | 125 | 120 | 5-15 | |||
80 | 275 | 188 | 133 | 8-25 | |||
100 | 290 | 208 | 160 | 12-35 | |||
125 | 310 | 226 | 175 | 20-60 | |||
150 | 350 | 258 | 195 | 35-90 | |||
200 | 430 | 301 | 230 | 40-180 | |||
250 | 520 | 367 | 265 | 100-300 | |||
300 | 635 | 430 | 300 | 150-500 | |||
350 | 670 | 504 | 340 | 200-700 |
ملحوظة: البيانات المذكورة أعلاه هي للإشارة فقط. لمزيد من التفاصيل، يرجى استشارة قسم المبيعات في الشركة.
يتضمن نقل النفط والغاز وسائط متعددة مثل خطوط الأنابيب والسفن، وهو الرابط الأساسي لسلسلة إمداد الطاقة.

يغطي التحكم في المواد الخام الكيميائية عملية التعدين والتخزين والإنتاج بأكملها، مما يضمن السلامة واستقرار العملية.

تعتبر خطوط أنابيب البخار ذات درجة الحرارة المرتفعة جوهر نقل الطاقة في أنظمة الطاقة، مما يدعم التشغيل الفعال لمحطات الطاقة الحرارية والنووية.

تتحكم الصمامات في السوائل في صناعات متعددة مثل الطاقة الجديدة والإلكترونيات، مما يضمن إنتاجًا آمنًا وفعالاً.


