صمام الفحص الدوار هو نوع من الصمامات التي تفتح وتغلق عن طريق تدوير قرص الصمام حول العمود. يفتح تلقائيًا اعتمادًا على تدفق الوسط ويغلق بالجاذبية أو التدفق العكسي. إنه ذو هيكل بسيط ومقاوم للتدفق المنخفض، وهو مناسب لأنظمة خطوط أنابيب السوائل والغاز لمنع التدفق العكسي المتوسط. ويشيع استخدامه في مجالات مثل البترول والكيماويات وإمدادات المياه.




Name | Material | |||||||
valve body | casting | WCB | ZG1Cr5Mo | ZG1Cr5Mo | CF8 | CF8M | CF3 | CF3M |
غطاء الصمام | ZG0Cr18Ni9Ti | ZG0Cr18Ni12Mo2Ti | ZG0Cr18Ni10 | ZG0Cr18Ni12MoTi | ||||
valve disk | casting | WCB | ZG1Cr5Mo | ZG12Cr5Mov | CF8 | ZG0Cr18Ni12Mo2Ti | CF3 | CF3M |
forging | A105 | 1Cr5Mo | 12Cr5MoV | 0Cr18Ni9Ti | 0Cr18Ni12Mo2Ti | 0Cr18Ni10 | 0Cr18Ni2Mo2Ti | |
pin | bar Stock | 2Cr13 | 25Cr2MoV | 25Cr2MoV | 304 | 316 | 304L | 316L |
صمام السد | تسطيح سبائك الحديد | مادة الجسم | ||||||
فيلم ممنوع | جرافيت مرن مركب عالي القوة | بولي تترافلوروإيثيلين | ||||||

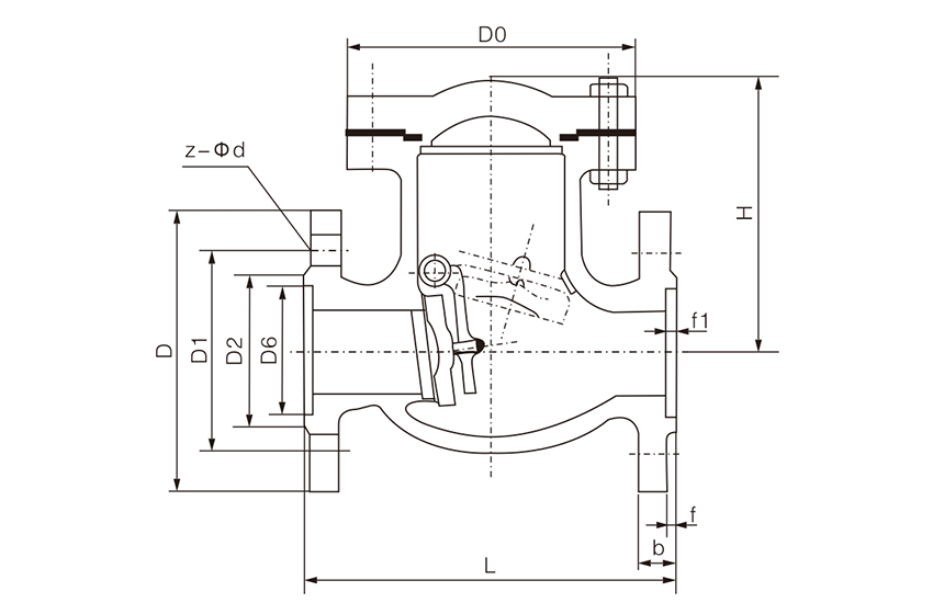
Nominal Diameter DN(مم) | L | D | D1 | D2 | D6 | b | f | f1 | z-Φd | القيمة المرجعية درجة الحرارة_(مم)_درجة الحرارة | |
PN1.6MPa | D0 | H | |||||||||
25 | 160 | 115 | 85 | 65 | - | 16 | 2 | - | 4-14 | 140 | 130 |
32 | 180 | 135 | 100 | 78 | - | 16 | 2 | - | 4-18 | 150 | 140 |
40 | 200 | 145 | 110 | 85 | - | 16 | 2 | - | 4-18 | 160 | 150 |
50 | 230 | 160 | 125 | 100 | - | 16 | 2 | - | 4-18 | 185 | 160/135 |
65 | 290 | 180 | 145 | 120 | - | 18 | 3 | - | 4-18 | 215 | 177/142 |
80 | 310 | 195 | 160 | 135 | - | 20 | 3 | - | 8-18 | 235 | 187/165 |
100 | 350 | 215 | 180 | 155 | - | 20 | 3 | - | 8-18 | 255 | 202/180 |
125 | 400 | 245 | 210 | 185 | - | 22 | 3 | - | 8-18 | 285 | 227/210 |
150 | 480 | 280 | 240 | 210 | - | 24 | 3 | - | 8-23 | 330 | 263/233 |
200 | 550 | 335 | 295 | 265 | - | 26 | 3 | - | 12-23 | 385 | 293/304 |
250 | 650 | 405 | 355 | 320 | - | 30 | 3 | - | 12-25 | 455 | 330/348 |
300 | 750 | 460 | 410 | 375 | - | 30 | 4 | - | 12-25 | 515 | 382/390 |
350 | 850 | 520 | 470 | 435 | - | 34 | 4 | - | 16-25 | 545 | 430 |
400 | 950 | 580 | 525 | 485 | - | 36 | 4 | - | 16-30 | 600 | 480/468 |
500 | 1150 | 705 | 650 | 608 | - | 44 | 4 | - | 20-34 | 730 | 560/525 |
600 | 1350 | 840 | 770 | 718 | - | 48 | - | - | 20-41 | - | - |
700 | 1450 | 910 | 840 | 788 | - | 50 | - | - | 24-41 | - | - |
800 | 1650 | 1020 | 950 | 898 | - | 52 | - | - | 24-41 | - | - |
Note:نطاق الضغط هو 1.6MPa ~ 25.0MPa. البيانات المذكورة أعلاه هي للإشارة فقط. يرجى استشارة قسم المبيعات في الشركة للحصول على التفاصيل.
يتضمن نقل النفط والغاز وسائط متعددة مثل خطوط الأنابيب والسفن، وهو الرابط الأساسي لسلسلة إمداد الطاقة.

يغطي التحكم في المواد الخام الكيميائية عملية التعدين والتخزين والإنتاج بأكملها، مما يضمن السلامة واستقرار العملية.

تعتبر خطوط أنابيب البخار ذات درجة الحرارة المرتفعة جوهر نقل الطاقة في أنظمة الطاقة، مما يدعم التشغيل الفعال لمحطات الطاقة الحرارية والنووية.

تتحكم الصمامات في السوائل في صناعات متعددة مثل الطاقة الجديدة والإلكترونيات، مما يضمن إنتاجًا آمنًا وفعالاً.


