إن صمام عدم الرجوع المتأرجح القياسي الأمريكي هو صمام يتوافق مع المعايير الأمريكية مثل ANSI وAPI. يتم فتح وإغلاق قرص الصمام الخاص به عن طريق الدوران حول المحور، ويتم فتحه تلقائيًا عن طريق تدفق الوسط، ويتم إغلاقه بسرعة عن طريق الجاذبية أو الضغط العكسي. إنه مصمم لخطوط الأنابيب ذات الضغط العالي والتدفق العالي في الصناعات البترولية والكيميائية وغيرها من الصناعات، مع مقاومة منخفضة للتدفق ومقاومة درجات الحرارة العالية وختم قوي، مما يمنع بشكل فعال التدفق العكسي المتوسط.





Part Name | material |
الجوز القرص صمام | الكربون الصلب/الفولاذ المقاوم للصدأ |
shim | الكربون الصلب/الفولاذ المقاوم للصدأ |
دبوس ذراع الروك | الكربون الصلب/الفولاذ المقاوم للصدأ |
valve Seat | CS+SS/SS/SS+STL |
valve disk | CS+SS/SS/SS+STL |
Part Name | WCB | LCB | WC6 | WC9 |
مسمار رأس مقبس سداسي | A193 غرام B7/A194 غرام 2H | A193 غرام L7/A194 غرام 4 | A193 المادة B16/A194 المادة 4/7 | A193 المادة B16/A194 المادة 4/7 |
مسامير وصواميل الشفة الوسطى | A193 غرام B7/A194 غرام 2H | A193 غرام L7/A194 غرام 4 | A193 المادة B16/A194 المادة 4/7 | A193 المادة B16/A194 المادة 4/7 |
shim | لف حلزوني/حديد ناعم | لف حلزوني/حديد ناعم | لف حلزوني/حديد ناعم | لف حلزوني/حديد ناعم |
support | A216 غرام WCB | A352 غرام LCB | A217 غرام WC6 | A217 غرام WC9 |
rocker الذراع | A216 غرام WCB | A352 غرام LCB | A217 غرام WC6 | A217 غرام WC9 |
غطاء الصمام | A216 غرام WCB | A352 غرام LCB | A217 غرام WC6 | A217 غرام WC9 |
valve body | A216 غرام WCB | A352 غرام LCB | A217 غرام WC6 | A217 غرام WC9 |

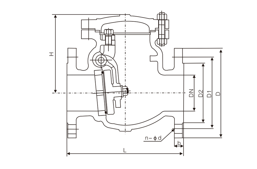
تحديد | القطر الاسمي | L | D | D1 | D2 | b | n-Φd | H |
150Lb شفة محدبة RF | ||||||||
1 1/2 | 40 | 165 | 127 | 98.6 | 73 | 15.0 | 4-16 | 154 |
2 | 50 | 203 | 152 | 120.7 | 92 | 16.0 | 4-19 | 161 |
2 1/2 | 65 | 216 | 178 | 139.7 | 105 | 18.0 | 4-19 | 180 |
3 | 80 | 241 | 190 | 152.4 | 127 | 19.0 | 4-19 | 190 |
4 | 100 | 292 | 229 | 190.5 | 157 | 24.0 | 8-19 | 203 |
5 | 125 | 330 | 254 | 216.0 | 186 | 24.0 | 8-22.5 | 229 |
6 | 150 | 356 | 279 | 241.3 | 216 | 26.0 | 8-22.5 | 257 |
8 | 200 | 495 | 343 | 298.5 | 270 | 29.0 | 8-22.5 | 292 |
10 | 250 | 622 | 406 | 362.0 | 324 | 31.0 | 12-25.4 | 355 |
12 | 300 | 698 | 483 | 431.8 | 381 | 32.0 | 12-25.4 | 396 |
14 | 350 | 787 | 533 | 476.3 | 413 | 35.0 | 12-29 | 445 |
16 | 400 | 864 | 597 | 539.8 | 470 | 37.0 | 16-29 | 490 |
18 | 450 | 978 | 635 | 577.9 | 533 | 40.0 | 16-32 | 520 |
20 | 500 | 978 | 698 | 635.0 | 584 | 43.0 | 20-32 | 546 |
24 | 600 | 1295 | 813 | 749.3 | 692 | 48.8 | 20-35 | 880 |
26 | 650 | 1295 | 786 | 744.5 | 711 | 41.1 | 36-22.5 | 910 |
28 | 700 | 1448 | 837 | 795.5 | 762 | 44.5 | 40-22.5 | 935 |
30 | 750 | 1524 | 887 | 846.0 | 813 | 44.5 | 44-22.5 | 970 |
32 | 800 | 1524 | 941 | 900 | 846 | 46.0 | 48-22.5 | 1020 |
34 | 850 | 1524 | 1005 | 957.0 | 921 | 49.3 | 40-25.4 | 1085 |
36 | 900 | 1956 | 1057 | 1009.7 | 975 | 52.3 | 44-25.4 | 1140 |
Note:نطاق الضغط هو 150Lb-2500Lb. البيانات المذكورة أعلاه هي للإشارة فقط. يرجى استشارة قسم المبيعات في الشركة للحصول على التفاصيل
يتضمن نقل النفط والغاز وسائط متعددة مثل خطوط الأنابيب والسفن، وهو الرابط الأساسي لسلسلة إمداد الطاقة.

يغطي التحكم في المواد الخام الكيميائية عملية التعدين والتخزين والإنتاج بأكملها، مما يضمن السلامة واستقرار العملية.

تعتبر خطوط أنابيب البخار ذات درجة الحرارة المرتفعة جوهر نقل الطاقة في أنظمة الطاقة، مما يدعم التشغيل الفعال لمحطات الطاقة الحرارية والنووية.

تتحكم الصمامات في السوائل في صناعات متعددة مثل الطاقة الجديدة والإلكترونيات، مما يضمن إنتاجًا آمنًا وفعالاً.


