الجوهر: صمام مضاد للتدفق العكسي مصمم خصيصًا لظروف العمل ذات الجهد العالي ودرجات الحرارة العالية في أنظمة الطاقة، ويستخدم في الأجزاء الرئيسية مثل مياه تغذية الغلايات وخطوط أنابيب البخار لمنع التدفق العكسي للوسائط (مثل الماء والبخار) وضمان التشغيل الآمن للوحدة.
الميزات الأساسية:
مقاومة الضغط العالي ودرجات الحرارة العالية: جسم الصمام مصنوع من سبائك الفولاذ أو مادة الفولاذ المقاوم للصدأ، والتي يمكنها تحمل الضغط العالي (حتى 42 ميجا باسكال) ودرجة حرارة عالية (تصل إلى 600 درجة مئوية)، ولها ثبات قوي؛
ختم موثوق: ختم معدني صلب أو هيكل ختم مرن، مناسب لتوقف التشغيل المتكرر وتقلبات الضغط، مع مستوى تسرب ANSI VI؛
تصميم مضاد للصدمات: الإغلاق السريع بمساعدة الزنبرك يقلل من تأثيرات المطرقة المائية، ويعزز هيكل توجيه قرص الصمام مقاومة الاهتزاز؛
قدرة قوية على التكيف: اتصال شفة بشكل أساسي، مناسب لـ يمكن استبدال خطوط الأنابيب ذات القطر الكبير (DN50~DN1200)، وأقراص الصمامات أو أختامها عبر الإنترنت أثناء الصيانة.
التطبيقات النموذجية: أنظمة تدوير الغلايات في محطات الطاقة الحرارية، وخطوط أنابيب البخار الرئيسية في محطات الطاقة النووية، وأنظمة إعادة تسخين التوربينات البخارية، وما إلى ذلك.





Valve body | غطاء الصمام | Valve disk | Valve Seat |
WCB | WCB | 25 الأقمار الصناعية 12 | 25+D507Mo |
Wc6 | WC6 | WC9+ستالايت 12 | WC6+ستالايت 6 |

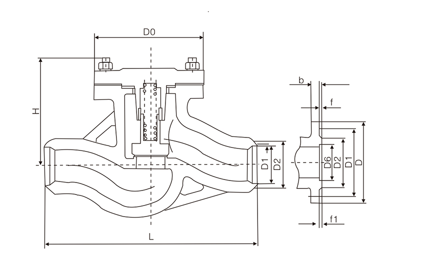
Model | Nomina Pressure PN(MPa) | Nomina Diameter DN(مم) | L | D1 | D2 | القيمة المرجعية (مم) | |
H | Do | ||||||
H61Y-200 | 20 | 100 | 600 | 113 | 138 | 330 | 290 |
H61Y-320 | 32 | 125 | 900 | 153 | 159 | 400 | 440 |
H61Y-200 | 20 | 175 | 900 | 187 | 222 | 426 | 400 |
H61Y-200 | 20 | 225 | 1000 | 233 | 273 | 510 | 520 |
الضغط الاسمي | القطر الاسمي | L | D | D1 | D2 | D6 | f | f1 | b | القيمة المرجعية (مم) | |
H | Do | ||||||||||
10.0 | 50 | 300 | 195 | 145 | 115 | 88 | 3 | 4 | 28 | 198 | 185 |
10.0 | 80 | 380 | 230 | 180 | 150 | 121 | 3 | 4 | 34 | 234 | 255 |
10.0 | 100 | 450 | 265 | 210 | 175 | 150 | 3 | 4.5 | 28 | 234 | 255 |
10.0 | 125 | 550 | 350 | 290 | 250 | 204 | 3 | 4.5 | 46 | 355 | 340 |
Note:نطاق الضغط هو 10.0MPa ~ 32.0MPa. البيانات المذكورة أعلاه هي للإشارة فقط. يرجى استشارة قسم المبيعات في الشركة للحصول على التفاصيل.
يتضمن نقل النفط والغاز وسائط متعددة مثل خطوط الأنابيب والسفن، وهو الرابط الأساسي لسلسلة إمداد الطاقة.

يغطي التحكم في المواد الخام الكيميائية عملية التعدين والتخزين والإنتاج بأكملها، مما يضمن السلامة واستقرار العملية.

تعتبر خطوط أنابيب البخار ذات درجة الحرارة المرتفعة جوهر نقل الطاقة في أنظمة الطاقة، مما يدعم التشغيل الفعال لمحطات الطاقة الحرارية والنووية.

تتحكم الصمامات في السوائل في صناعات متعددة مثل الطاقة الجديدة والإلكترونيات، مما يضمن إنتاجًا آمنًا وفعالاً.


