تعريف: الصمام الكروي العائم القياسي الأمريكي هو صمام يتوافق مع المعايير الأمريكية (مثل API، ANSI، ASME). تقوم الكرة العائمة بضغط مقعد صمام المخرج تلقائيًا من خلال الضغط المتوسط لتحقيق الغلق، وهي مناسبة للضغط العالي ودرجات الحرارة المرتفعة وظروف العمل القاسية.
الميزات الأساسية:
المواصفات القياسية: تتوافق مع API 607 (الحماية من الحرائق)، وAPI 6D (صمامات خطوط الأنابيب)، وASME B16.34 (تصنيف درجة حرارة الضغط).
تصميم الضغط العالي: تصنيف الضغط يغطي الفئة 150~الفئة 1500 (حتى 42 ميجاباسكال)، مناسب لخطوط الأنابيب ذات الضغط العالي مثل النفط والغاز الطبيعي.
الهيكل المقوى: يعتمد مقعد الصمام على ختم معدني صلب أو PTFE، ومواد جسم الصمام مصنوعة من الفولاذ الكربوني القياسي/الفولاذ المقاوم للصدأ ASTM، وهو مقاوم للتآكل ومقاوم للتآكل؛
تكرار السلامة: نوابض موصلة مضادة للكهرباء الساكنة، وهياكل مقاومة للحريق، وتصميمات مضادة لنفخ ساق الصمام تضمن السلامة تحت ظروف العمل القاسية.
التطبيقات النموذجية: أنظمة النقل المتوسطة ذات الضغط العالي والتآكل الشديد مثل الغاز الطبيعي المسال (LNG)، ومعدات التكرير، والمنصات البحرية.






Part Name | فئة WCB | فئة سي إف 8 | فئة CF3 | فئة CF8M | فئة CF3M | |
valve body | A216-WCB | A315-CF8 | A35-CF3 | A315-CF8M | A35-CF3M | |
ball Valve | B2-B8 | A105-1025 | A182-F304L | A182-F304L | A132-F304 | A182-F316L |
Above B8 | A216-WCB | A351-CF8M | A351-CF3 | A351-CF8M | A351-CF3M | |
valve الجذعية | A182-F6a | A182-F304 | A182-F304L | A182-F336 | A182-F316L | |
valve Seat | PTFE / PTFE المحسن / NYLIN | |||||
مثبت المقعد | A105-1025 | A182-F304 | A182-F304L | A182-F316 | A182-F316L | |
spring | 3yc-7/17-49H | |||||
O-ring | NBR | مطاط الفلور | ||||
stud | A193-B7 | A193-B8 | ||||
nut | A194-2H | A194-8 | ||||

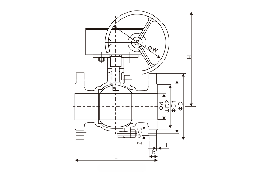
Caliber | 150Lb | |||||||||||||
DN | NPS | L | d | D | D1 | D2 | b | f | z-Φd0 | W | H | |||
RF | DJ | Manual | worm gear | Manual | worm gear | |||||||||
15 | 1/2 | 108 | 119 | 14 | 89 | 60.5 | 35 | 11.5 | 1.6 | 4-15 | 140 | - | 80 | - |
20 | 3/4 | 117 | 130 | 19 | 98 | 70 | 43 | 11.5 | 1.6 | 4-15 | 140 | - | 85 | - |
25 | 1 | 127 | 140 | 25 | 108 | 79.5 | 51 | 11.5 | 1.6 | 4-15 | 150 | - | 105 | - |
32 | 1 1/4 | 140 | 153 | 32 | 117 | 89 | 64 | 13.5 | 1.6 | 4-15 | 180 | - | 110 | - |
40 | 1 1/2 | 165 | 179 | 38 | 127 | 98.5 | 73 | 14.5 | 1.6 | 4-15 | 200 | - | 140 | - |
50 | 2 | 178 | 191 | 51 | 152 | 120.5 | 92 | 16 | 1.6 | 4-19 | 250 | - | 145 | - |
65 | 2 1/2 | 190 | 203 | 64 | 178 | 139.5 | 105 | 17.5 | 1.6 | 4-19 | 300 | - | 165 | - |
80 | 3 | 203 | 216 | 76 | 190 | 152.5 | 127 | 19.5 | 1.6 | 4-19 | 350 | - | 178 | - |
100 | 4 | 229 | 242 | 102 | 229 | 190.5 | 157 | 24 | 1.6 | 8-19 | 500 | 305 | 230 | 380 |
125 | 5 | 356 | 369 | 127 | 254 | 216 | 186 | 24 | 1.6 | 8-22 | 800 | 305 | 280 | 405 |
150 | 6 | 394 | 407 | 152 | 279 | 241.5 | 216 | 25.5 | 1.6 | 8-22 | 800 | 305 | 310 | 460 |
200 | 8 | 457 | 470 | 203 | 343 | 298.5 | 270 | 29 | 1.6 | 8-22 | 1000 | 305 | 350 | 550 |
250 | 10 | 533 | 546 | 254 | 406 | 362 | 324 | 31 | 1.6 | 12-25 | - | 400 | - | 706 |
Note:البيانات المذكورة أعلاه هي للإشارة فقط. لمزيد من التفاصيل، يرجى استشارة قسم المبيعات في الشركة.
يتضمن نقل النفط والغاز وسائط متعددة مثل خطوط الأنابيب والسفن، وهو الرابط الأساسي لسلسلة إمداد الطاقة.

يغطي التحكم في المواد الخام الكيميائية عملية التعدين والتخزين والإنتاج بأكملها، مما يضمن السلامة واستقرار العملية.

تعتبر خطوط أنابيب البخار ذات درجة الحرارة المرتفعة جوهر نقل الطاقة في أنظمة الطاقة، مما يدعم التشغيل الفعال لمحطات الطاقة الحرارية والنووية.

تتحكم الصمامات في السوائل في صناعات متعددة مثل الطاقة الجديدة والإلكترونيات، مما يضمن إنتاجًا آمنًا وفعالاً.


